• 成文日期:

龙港市吕明庆等4户4间个人建房项目规划行政许可批前公示

发布日期: 2021- 06- 11 15 : 52 浏览次数: 字体:[ ]

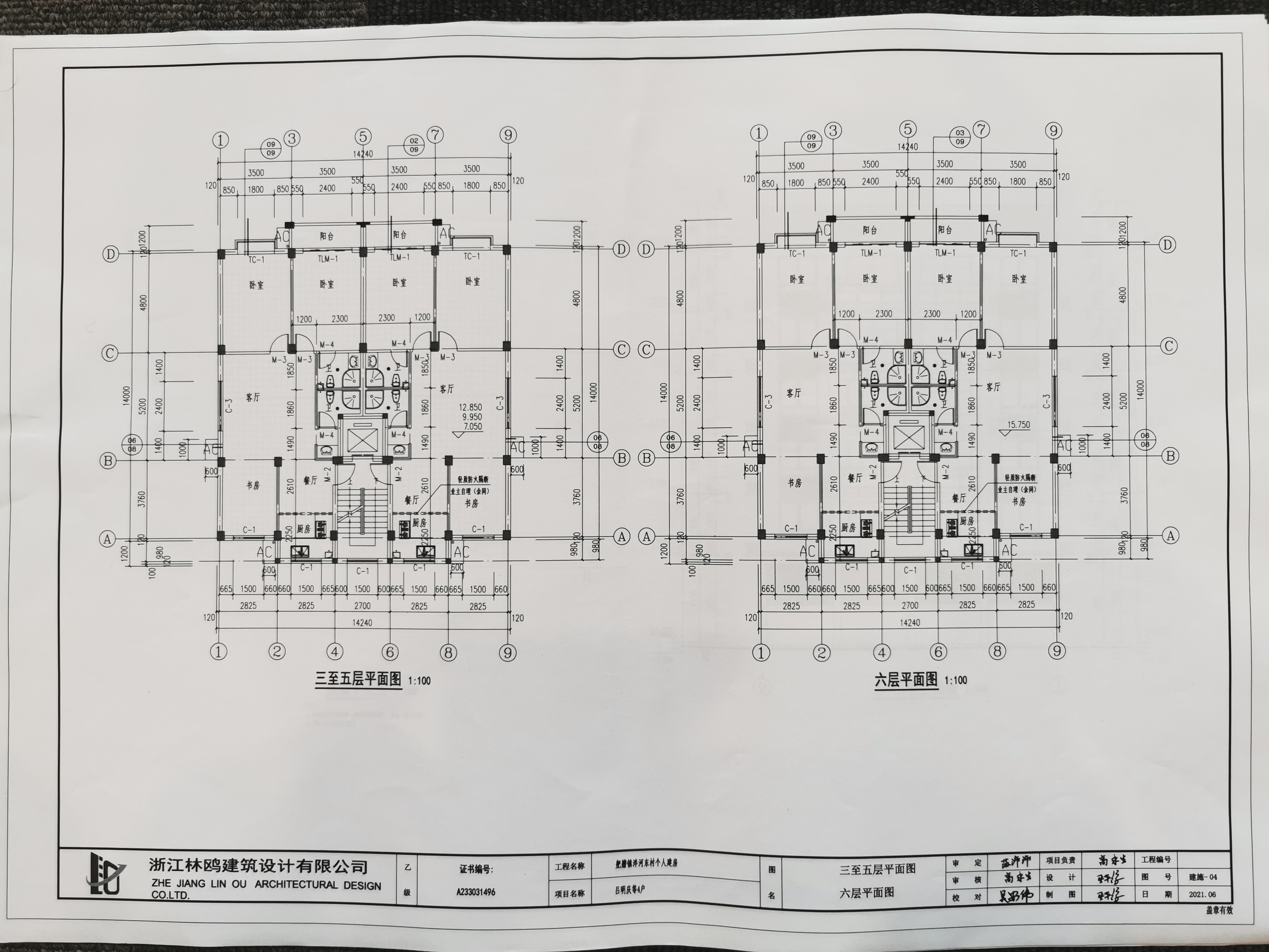
龙港市吕明庆44个人建房项目,土地坐落在龙港市巴曹龙巴公路泮河东路南侧地段,现进行建设工程规划许可批前公示,该项目作如下公示:(附总平面图、规划设计方案如图所示)

1)使用性质:公寓式住宅

(2)占地面积:199.36

(3)建筑面积:1265.14

4)层数:6

5)其他经济技术指标见总平面图

凡是与本建设项目有日照采光、间距等重大利害关系公民、法人以及其他组织,应在公告之日起十日内,持本人身份证件以及证明利害关系存在的证据材料(如本人房屋所有权证、土地证等),龙港市行政审批反映情况,登记为利害关系人,依法行使陈述、申辩以及听证等权利。逾期不申报的,视为放弃上述权利。

 

地址:龙港市政务客厅(二楼)投资项目审批服务室

联系电话:0577-68621021     68621022

 

建房户名单如下:吕明庆、吕正伦、吕明汉、陈燕

 

                                    

 

 

 

 

                                       龙港市行政审批

                                       2021611


0